Application of AI Intelligent Temperature Control Instrument in Multipurpose Electric Furnace
2024-10-11
Application of AI Intelligent Temperature Control Instrument in Multipurpose Electric Furnace
Wei Wanjun
(Xiamen Yudian Automation Technology Co., Ltd. Beijing Branch,Beijing 100000, China)
Abstract: Through the research on the application process of the new artificial intelligence temperature control instrument in the multi-purpose resistance furnace, the basic control principle and the influencing factors of temperature uniformity of the multi-purpose resistance furnace are clarified. Combined with the adjustment of control parameters of intelligent temperature control instrument in the process and the verification of furnace temperature uniformity measurement, the feasibility of application and popularization of AI intelligent temperature control instrument in multi-purpose resistance furnace equipment is determined. It lays a foundation for the intelligent upgrading of multi-purpose resistance furnace and provides a strong guarantee for the accurate temperature control and furnace temperature uniformity adjustment of multi-purpose resistance furnace.
Key words: New AI intelligent temperature control instrument Resistance furnace Furnace temperature accuracy Furnace temperature uniformity Intelligent control
Introduction
With the development of industrial computers, there has been a revolution in the instrumentation industry. In recent years, temperature controllers have experienced rapid growth and are widely applied across various fields. In specialized temperature control sectors, intelligent temperature control instruments have brought about a qualitative leap in temperature management. The application of artificial intelligence (AI) instruments in temperature control boasts significant advantages, effectively addressing challenges that traditional instruments could not solve. Moreover, new intelligent temperature control instruments have brought about substantial changes to all types of large heating equipment. They simplify the control process, enhance instrument reliability, and enable more precise temperature signal management, improving temperature feedback timeliness and thus enhancing temperature control accuracy. Additionally, the application of AI intelligent temperature control instruments provides a intelligent "brain" for various large heating devices, making intelligent operation possible. The promotion of their use in multi-purpose resistance furnaces holds epoch-making significance for industry development, enabling the intelligent transformation of multi-purpose resistance furnaces and embedding the concept of Industry 4.0 into the heating equipment sector.
1. Characteristics of New AI Intelligent Temperature Control Instruments
New AI intelligent temperature control instruments feature modular design with each module having its own independent control chip, ergonomically arranged buttons for easy adjustment, and user-friendly regulation conforming to conventional thinking. Specific technical features include:
(1) Flexible Input Selection: The new AI intelligent temperature control instrument allows free selection of thermocouples, resistance thermometers, voltage, current, and can be expanded for input as well as custom non-linear correction tables, achieving measurement accuracy up to 0.1 grade.
(2) Advanced AI PID Regulation Algorithm: It employs an advanced AI artificial intelligence PID regulation algorithm without overshooting, featuring auto-tuning (AT) capabilities and a new fine control mode.
(3) Modular Structure: The instrument adopts an advanced modular structure providing rich output specifications to meet various application scenarios' needs while ensuring ease of maintenance.
(4) Energy-saving Design: Emphasizing energy conservation and environmental protection, it uses high-quality components for low power consumption and minimal temperature drift, efficiently saving client energy. With a sampling rate of 12.5 measurements per second and a minimum control cycle of 0.24 seconds, it can adapt to the control precision requirements of rapidly changing objects.
(5) User-friendly Operation: Designed for ease of learning and use, it permits self-editable operational permissions and interfaces, allowing users to set passwords to create customized instruments.
(6) Universal Power Supply: Capable of using globally applicable 100-240VAC input range switch power supplies or 24VDC power supplies, with multiple panel and form factor sizes available for selection.
(7) EMC Compliance: The AI intelligent temperature control instrument meets electromagnetic compatibility (EMC) requirements under harsh industrial conditions.
(8) Multi-environment Adaptability: Suitable for use across various heating devices, the AI intelligent temperature control instrument must have its input, output specifications, and functional requirements correctly configured before use; only properly configured instruments can be put into operation.
2. Research on Temperature Control of Multi-purpose Resistance Furnaces
2.1 Specifications of Multi-purpose Resistance Furnaces
The multi-purpose resistance furnace is designed and manufactured by a renowned domestic manufacturer. It features large dimensions, excellent sealing properties, medium to low carbon steel panels on the exterior, and refractory materials and industrial asbestos for insulation inside. The furnace bottom plate consists of firebricks and high-grade refractory metals. Twelve groups of heating elements are installed within the furnace. The heating furnace is powered and controlled by four high-performance silicon-controlled rectifier (SCR) electric furnace temperature control cabinets, with detailed design parameters as follows:
Table 1 Technical Parameters of Multi-purpose Resistance Furnace

This multi-purpose resistance heating furnace was commissioned in 2017 and has been mainly used for annealing and tempering large alloy forgings. After years of high-load operation, the furnace currently runs normally overall, but the product qualification rate has decreased. Users have raised questions about the performance of the multi-purpose resistance furnace and expressed a need for improvements to its control performance.
2.2 Application Experimental Study of AI Intelligent Temperature Control Instruments on Multi-purpose Resistance Furnaces
According to on-site investigations, the current temperature control instrument used in the multi-purpose resistance heating furnace is a conventional manual control instrument. There are four heating zones within the furnace chamber, with equipment startup and shutdown controlled by a control cabinet located outside the furnace. During operation, temperature adjustments of the heating furnace are achieved through operators manually inputting control temperatures. The instruments operate normally under the on-site environmental conditions. Inspection of the internal control system of the heating furnace confirmed that the thyristors and electrical systems inside the control box are functioning properly, as are the thermocouples and compensating cables of the heating furnace.
Experimental Approach: The experiment began with multi-point temperature measurements to investigate the uniformity of the furnace temperature. Measurement points were arranged according to national standards. The temperature measurement plan included:
· Empty Furnace Temperature Measurement: According to national standards, 10 measurement points were set up (as shown in the diagram below).
· Temperature Profile: Set temperatures as follows: 400°C for 3 hours → 620°C for 7 hours → power off to cool down (with the furnace door closed). When the furnace cools down to 300°C, open the furnace for air cooling.
Schematic Diagram of Temperature Measurement Points:

Figure 1: Layout of Temperature Measurement Points in the Furnace Chamber
temperature measurement curve shown in Figure 2 was generated. As can be seen from the temperature measurement curve, the overall consistency of the furnace temperature operation is quite good. However, during the initial phase of thermal insulation, there is an observed phenomenon of temperature non-uniformity at different points. As the temperature measurement time extends, there is a trend towards temperature uniformity within the furnace. By recording the temperatures at certain time points during the thermal insulation period, it was found that the maximum temperature difference between the points reached around 27°C.

Table 2: Temperature data collected at specific times during the insulation phase of the multi-purpose resistance furnace.
Figure 2: Temperature variation curve of the furnace chamber measurement points
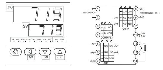
In response to the above experimental results, the instruments in all four control cabinets were replaced with new AI intelligent temperature control instruments. The front panel control diagram and the rear wiring schematic of the instrument are shown below:

Figure 3: Schematic diagram of the front and back views of the AI intelligent temperature control instrument
After replacing the multi-purpose resistance furnace with AI intelligent temperature control instruments, the process parameters can be loaded all at once, and no manual adjustment of the control temperature is required during operation. The parameters of the AI intelligent temperature control instrument are as follows:

Table 3: Technical Parameters of AI Intelligent Temperature Control Instrument
Case Study of Process Temperature Control is as follows:

Figure 4: The process curve can be set according to the following steps:
Step 1:SP1 = 100.0, t1 = 30.0;Start linear heating from 100°C to SP2, with a heating time of 30 minutes and a heating ramp rate of 10°C/min.
Step 2:SP2 = 400.0, t2 = 60.0;Hold at 400°C for 60 minutes.
Step 3:SP3 = 400.0, t3 = 120.0;Cool down to SP4, with a cooling time of 120 minutes and a cooling ramp rate of 2°C/min.
Step 4:SP4 = 160.0, t4 = 0.0;After cooling to 160°C, enter the pause state. Execution of "Run" is required to proceed to the next step.
Step 5:SP5 = 160.0, t5 = -1.0;Jump back to Step 1 to execute the process in a loop, restarting from the beginning.
After replacing the AI intelligent temperature control instruments, the furnace chamber temperature was measured again using the same temperature measurement process as before. The results showed that the maximum temperature difference among the 10 measurement points did not exceed 10°C, as detailed in Table 3 below. The overall operational curve is illustrated in Figure 4:
Table 4: Temperature data collected at specific times during the insulation phase of the multi-purpose resistance furnace after replacing with intelligent instruments
Figure 4: Temperature measurement curve of the multi-purpose resistance furnace after adopting AI intelligent temperature control instruments
Through the application of AI intelligent temperature control instruments, the temperature uniformity of the multi-purpose heating furnace has significantly improved. The temperature control is more precise, making the user experience more convenient and reliable. After nearly six months of use, follow-up visits were conducted to assess the customer's usage results. The customer feedback indicated that the instruments are operating well and have effectively increased the qualification rate of heat-treated workpieces. The results have been acknowledged and appreciated by the customers.
3 Conclusion
The new AI intelligent temperature control instruments can be widely applied to multi-purpose resistance heating furnaces.
Through temperature measurement experiments, it was found that the uneven temperature control of multi-purpose resistance furnaces is significantly related to the limitations of conventional instruments. AI intelligent temperature control instruments enable intelligent process setting and operation, which can greatly improve the temperature control accuracy and furnace temperature uniformity of multi-purpose resistance furnaces.
The wiring, installation, and debugging of AI intelligent temperature control instruments are simple, with convenient parameter adjustments and comprehensive functionality. They can fully meet the control requirements for industrial resistance furnaces.
References
[1] JJF 1376-2012 Calibration Specification for Box-type Resistance Furnaces [S].
[2] Song Huixin. Yudian: Leading the Temperature Control Instrument Market through Innovation [J]. Automation Panorama, Issue 1, 2015.
[3] He Ying. Optimization Analysis of Heating Furnace Temperature Uniformity [J]. Information on Economic and Technological Cooperation, Issue 25, 2021.
TOP
